聯系我們

- 電話 : 0510-83270388
- 手機 : 18661287278
- 郵箱 : bw@bwhgsb.com
- 網址 : www.bwhgsb.com
- 地址 : 江蘇省無錫市錢橋鎮恒源祥工業園恒亮路12號
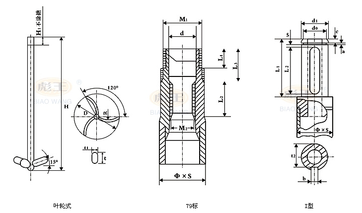
搪玻璃推進式攪拌器


79標
規格 | ?×S | H | H3 | H2 | H1 | DJ | t1 | t2 | d1 | S | L1 | L2 | L3 | d | M1 | M2 |
K-50 | 40×45 | 830 | 30 | 70 | 40 | 250 | 62 | 30 | 25 | 35 | 18 | 35 | 33 | 30 | 39×3-左 | 24 |
K-100 | 40×45 | 960 | 30 | 70 | 40 | 250 | 62 | 30 | 25 | 35 | 18 | 35 | 33 | 30 | 39×3-左 | 24 |
K-200 | 50×45 | 1200 | 30 | 80 | 50 | 300 | 62 | 30 | 25 | 35 | 20 | 35 | 44 | 39 | 48×3-左 | 33 |
K-300 | 65×5 | 1350 | 45 | 100 | 80 | 350 | 80 | 35 | 32 | 4 | 20 | 35 | 47 | 39 | 48×3-左 | 33 |
K-500 | 65×5 | 1540 | 45 | 120 | 80 | 400 | 80 | 35 | 32 | 4 | 20 | 35 | 47 | 39 | 48×3-左 | 33 |
K-1000 | 80×6 | 1840 | 75 | 130 | 100 | 450 | 90 | 40 | 38 | 4 | 20 | 45 | 53 | 50 | 64×4-左 | 42 |
K-1500 | 80×6 | 2090 | 75 | 130 | 100 | 450 | 90 | 40 | 38 | 5 | 20 | 45 | 53 | 50 | 64×4-左 | 42 |
K-2000 | 80×6 | 2430 | 75 | 160 | 100 | 500 | 90 | 40 | 38 | 5 | 20 | 45 | 53 | 50 | 64×4-左 | 42 |
K-3000 | 95×8 | 2500 | 100 | 200 | 115 | 600 | 120 | 50 | 42 | 6 | 28 | 50 | 58 | 60 | 76×4-左 | 52 |
K-5000 | 95×8 | 3000 | 100 | 220 | 115 | 700 | 120 | 50 | 42 | 6 | 28 | 50 | 58 | 60 | 76×4-左 | 52 |
69標
規格 | ?×S | H | H3 | H2 | H1 | DJ | t1 | t2 | d1 |
| L | M1 |
K-50 | 42×6 | 724 | 30 | 70 | 60 | 250 | 62 | 30 | 32 | 4 | 60 | 33×2 |
K-100 | 42×6 | 855 | 30 | 70 | 60 | 250 | 62 | 30 | 32 | 4 | 60 | 33×2 |
K-200 | 50×6 | 1145 | 30 | 80 | 80 | 300 | 62 | 30 | 32 | 4 | 70 | 42×3 |
K-300 | 50×6 | 1259 | 45 | 100 | 80 | 350 | 80 | 35 | 32 | 4 | 70 | 42×3 |
K-500 | 60×8 | 1480 | 45 | 120 | 90 | 400 | 80 | 35 | 42 | 6 | 70 | 48×3 |
K-1000 | 70×8 | 1790 | 75 | 130 | 90 | 450 | 90 | 40 | 42 | 6 | 80 | 60×4 |
K-1500 | 76×8 | 2010 | 75 | 130 | 95 | 450 | 90 | 40 | 42 | 6 | 80 | 68×4 |
K-2000 | 89×8 | 2110 | 75 | 170 | 100 | 500 | 120 | 50 | 42 | 6 | 90 | 78×4 |
K-3000 | 89×8 | 2720 | 100 | 200 | 100 | 600 | 120 | 50 | 42 | 6 | 90 | 78×4 |
K-5000 | 95×8 | 3000 | 100 | 220 | 120 | 700 | 120 | 50 | 42 | 6 | 95 | 78×4 |
