聯系我們

- 電話 : 0510-83270388
 - 手機 : 18661287278
 - 郵箱 : bw@bwhgsb.com
 - 網址 : www.bwhgsb.com
 - 地址 : 江蘇省無錫市錢橋鎮恒源祥工業園恒亮路12號
 
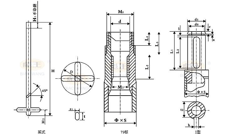
搪玻璃槳式攪拌器


79標尺寸表
規格  | φ×S  | H  | H1  | H2  | D  | t  | t1  | d  | M1  | M2  | L1  | L2  | L3  | 
50L  | 40×4.5  | 830  | 40  | 70  | 300  | 38  | 20  | 30  | 39×3-左  | 24  | 18  | 35  | 33  | 
100L  | 40×4.5  | 960  | 40  | 70  | 300  | 38  | 20  | 30  | 39×3-左  | 24  | 18  | 35  | 33  | 
200L  | 50×4.5  | 1200  | 50  | 80  | 400  | 46  | 25  | 39  | 48×3-左  | 33  | 20  | 35  | 44  | 
300L  | 65×5  | 1350  | 80  | 100  | 500  | 60  | 30  | 39  | 48×3-左  | 33  | 20  | 35  | 47  | 
500L  | 65×5  | 1540  | 80  | 100  | 500  | 60  | 30  | 39  | 48×3-左  | 33  | 20  | 35  | 47  | 
1000L  | 80×6  | 1840  | 115  | 120  | 700  | 86  | 43  | 50  | 64×4-左  | 42  | 20  | 45  | 53  | 
1500L  | 80×6  | 2092  | 115  | 120  | 700  | 86  | 43  | 50  | 64×4-左  | 42  | 20  | 45  | 53  | 
2000L  | 80×6  | 2430  | 115  | 135  | 700  | 86  | 43  | 50  | 64×4-左  | 42  | 20  | 45  | 53  | 
3000L  | 95×8  | 2500  | 125  | 135  | 800  | 94  | 50  | 60  | 76×4-左  | 52  | 28  | 50  | 58  | 
5000L  | 95×8  | 3000  | 125  | 150  | 850  | 94  | 50  | 60  | 76×4-左  | 52  | 28  | 50  | 58  | 
5000L  | 95×8  | 3160  | 125  | 150  | 900  | 94  | 50  | 60  | 90×4-左  | 64  | 28  | 65  | 65  | 
69標尺寸表
規格  | φ×S  | H  | H1  | H2  | H3  | B  | R1  | R2  | t1  | t  | M1  | L  | 
50L  | 42×6  | 724  | 60  | 190  | 225  | 400  | 397  | 127  | 50  | 28  | 33×2  | 60  | 
100L  | 42×6  | 855  | 60  | 245  | 280  | 480  | 480  | 167  | 50  | 28  | 33×2  | 60  | 
200L  | 50×6  | 1145  | 80  | 280  | 330  | 560  | 496  | 206  | 62  | 30  | 42×3  | 55  | 
300L  | 50×8  | 1250  | 80  | 320  | 370  | 640  | 566  | 206  | 62  | 30  | 42×3  | 55  | 
500L  | 60×8  | 1480  | 90  | 450  | 530  | 690  | 712  | 247  | 70  | 42  | 48×3  | 65  | 
1000L  | 70×8  | 1790  | 90  | 460  | 560  | 920  | 813  | 288  | 81.5  | 42  | 60×4  | 80  | 
1500L  | 76×8  | 2010  | 95  | 520  | 640  | 1040  | 919  | 313  | 96.5  | 40  | 68×4  | 80  | 
2000L  | 89×8  | 2110  | 100  | 600  | 745  | 1160  | 1010  | 365  | 108  | 55  | 78×4  | 90  | 
3000L  | 89×8  | 2720  | 100  | 600  | 745  | 1160  | 1010  | 365  | 108  | 55  | 78×4  | 90  | 
5000L  | 95×8  | 3000  | 120  | 750  | 910  | 1420  | 1281  | 391  | 115  | 60  | 85×4  | 95  | 
				
			