聯系我們

- 電話 : 0510-83270388
- 手機 : 18661287278
- 郵箱 : bw@bwhgsb.com
- 網址 : www.bwhgsb.com
- 地址 : 江蘇省無錫市錢橋鎮恒源祥工業園恒亮路12號
不銹鋼球閥


性能規范 | ||
| 公稱壓力 | Mpa | 1.6 |
| 密封實驗壓力 | 2.2 | |
| 殼體強度壓力 | 3.0 | |
| 工作溫度 ≤350℃ | ||
| 適用介質 水汽油 | ||
適用標準
設計制造標準:GB12237-89.
結構長度:GB12221-89.
連接法蘭:JB/T79-94.
檢驗試驗標準:JB/T9092-1999.
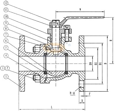
6 | 球體 | 0Cr18Ni9 | 12 | 內六角螺栓 | 0Cr18Ni9 |
5 | 閥座 | PTFE/PPL | 11 | 手柄 | 瑪鋼 |
4 | 密封墊片 | PTFE | 10 | 填料壓蓋 | ZG0Cr18Ni9 |
3 | 螺栓 | 0Cr18Ni9 | 9 | 填料 | PTFE |
2 | 螺母 | 0Cr18Ni9 | 8 | 閥體 | ZG0Cr18Ni9 |
1 | 左閥體 | ZG0Cr18Ni9 | 7 | 閥桿 | 0Cr18Ni9 |
DN | L | H | W | D2 | D1 | D | F | B | N-Ф |
15 | 130 | 59 | 130 | 45 | 65 | 95 | 2 | 14 | 4-14 |
20 | 140 | 63 | 130 | 55 | 75 | 105 | 2 | 14 | 4-14 |
25 | 150 | 75 | 160 | 65 | 85 | 115 | 2 | 14 | 4-14 |
32 | 165 | 97 | 180 | 78 | 100 | 135 | 2 | 16 | 4-18 |
40 | 180 | 107 | 230 | 85 | 110 | 145 | 3 | 16 | 4-18 |
50 | 200 | 142 | 230 | 100 | 125 | 160 | 3 | 16 | 4-18 |
65 | 220 | 152 | 400 | 120 | 145 | 180 | 3 | 18 | 4-18 |
80 | 250 | 178 | 400 | 135 | 160 | 195 | 3 | 20 | 8-18 |
100 | 280 | 252 | 650 | 155 | 180 | 215 | 3 | 20 | 8-18 |
125 | 320 | 272 | 1050 | 185 | 210 | 245 | 3 | 22 | 8-18 |
150 | 360 | 342 | 1050 | 210 | 240 | 280 | 3 | 24 | 8-23 |
200 | 400 | 345 | 1410 | 265 | 295 | 335 | 3 | 265 | 12-23 |
